PIROL C

FREQUENZWEICHE

leider kein Foto
PIROL C

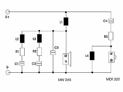
SCHALTPLAN

FREQUENZWEICHE