SILVER CENTER

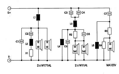
FREQUENZWEICHE

leider kein Foto
SILVER CENTER

SCHALTPLAN

FREQUENZWEICHE

.