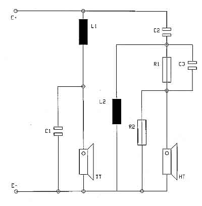
PHÖNIX

FREQUENZWEICHE

leider kein Foto
PHÖNIX

SCHALTPLAN

FREQUENZWEICHE