PROLOG FRONT

Abklingspektrum

PROLOG FRONT

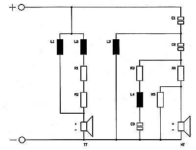
SCHALTPLAN

FREQUENZWEICHE