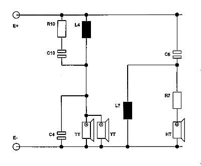
CENT 214

FREQUENZWEICHE

CENT 214

SCHALTPLAN

FREQUENZWEICHE