MS CENTER

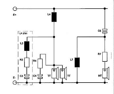
FREQUENZWEICHE

MS CENTER

SCHALTPLAN

FREQUENZWEICHE