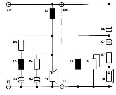
SPUTNIK 17 - 2

FREQUENZWEICHE

SPUTNIK 17 - 2

SCHALTPLAN

FREQUENZWEICHE

Auf der Leiterplatte 2722 werden die mit S1, R6, und L 5 bezeichneten Positionen gebrückt