MS KONSENS II

FREQUENZWEICHE

leider kein Foto
MS 3 MONITOR

SCHALTPLAN

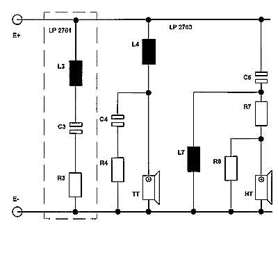
FREQUENZWEICHE

Auf der Leiterplatte 2763 werden S1, R6, C7 und C8 gebrückt. L3, C3 und R3 dienen der Linearisierung der Gesamtimpedanz. sinnvoll ist der Einsatz dieser Bauteile z.b bei Verwendung von Röhrenendstufen..